Coil

Coil for solenoid valves converting electrical energy into magnetic force for actuating valve plungers and cones.

Filter

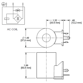
740-223

Product number: 740-223

740-223 — Solenoid Coil valve for hydraulic circuits. Coil 740-223.
Log in to see prices
Read more

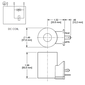
740-224D

Product number: 740-224D

740-224D — Solenoid Coil valve for hydraulic circuits. Coil 740-224D.
Log in to see prices
Read more

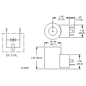
770-224

Product number: 770-224

770-224 — Coil for SUN cartridge
Log in to see prices
Read more