3001.00
3001.00
3001.00
3001.00
3001.00
3001.00

3001.00

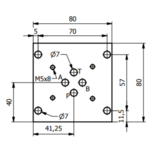
3/8 — Mounting Plate (60 L/min) Sub-plate valve for hydraulic.

Product number: 3001.00

Log in to see prices
More than 5 in stock Special order – send inquiry Fewer than 5 in stock
nube
Manufacturer Part No
3001.00
Flow (lpm)
60
Interface/Size
Cetop 3
Working pressure (bar)
315
Port size and type
BSPP 3/8''
3/8 — Mounting Plate (60 L/min)
Sub-plate valve for hydraulic circuits. Sub-plate 3001.00, NG6 / Cetop 3, 1 section, port side, 3/8" BSP.
Key specifications
- Interface: Cetop 3
- Flow capacity: 60
- Working pressure: 315 bar

Contact us

Our product experts

Our product experts

Ask us about this product

Send email