Inline Hydraulik V30E-270-RKGN-1-1-02
Inline Hydraulik V30E-270-RKGN-1-1-02
Inline Hydraulik V30E-270-RKGN-1-1-02
Inline Hydraulik V30E-270-RKGN-1-1-02
Inline Hydraulik V30E-270-RKGN-1-1-02
Inline Hydraulik V30E-270-RKGN-1-1-02

Inline Hydraulik V30E-270-RKGN-1-1-02

Inline Hydraulik V30E-270 Operating pressure: 350 bar (420 bar peak) Displacement: 270 cm³/rev Rotation: clockwise Hydraulic oil: ISO VG 10–68

Product number: HWV30E27000002

Log in to see prices
More than 5 in stock Special order – send inquiry Fewer than 5 in stock
Manufacturer Part No
7955244.00
Displacement (cm³/rev)
270
Working pressure (bar)
350
Rotational direction
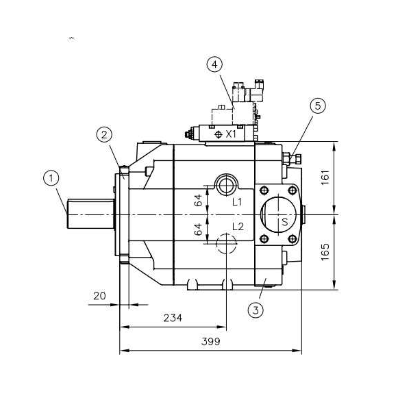
Mounting flange
DIN-ISO3019-2(180B2)
Shaft interface
Ø60 - 18x11x100 DIN
Nominal flow (lpm)
405

The V30E-270 is a variable displacement axial piston pump from InLine Hydraulik for open-circuit hydraulic systems, designed according to the swashplate principle. It is built for continuous operation in demanding industrial and mobile environments.

Model code V30E-270-RKGN-1-1-02 decodes as: R = clockwise rotation; K = keyed shaft (DIN 6885 Ø60–18×11×100); G = flange 180 B4 HW (ISO 3019-2); N = NBR seals; 1 = no through-shaft; 1 = with angle indicator; 02 = revision.

  • Pressure: 350 bar nominal, 420 bar peak
  • Displacement: 270 cm³/rev
  • Speed range: 500–2000 rpm
  • Hydraulic fluids: mineral or biodegradable oils, ISO VG 10–68 per DIN 51524
  • Temperature range: oil –25 to +80 °C; ambient –40 to +60 °C
  • Max housing pressure: 2 bar dynamic

Typical applications include industrial machinery, marine hydraulics, presses, and construction or concrete equipment where load-sensing or pressure-controlled systems are used.

Contact us

Our product experts

Our product experts

Ask us about this product

Send email