LHK 44G 21 250/250
LHK 44G 21 250/250
LHK 44G 21 250/250
LHK 44G 21 250/250

LHK 44G 21 250/250

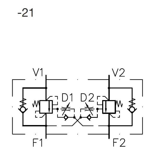
250/250 — Counterbalance Valve (100 L/min) Motion control valve, line.

Product number: HW92100297

Log in to see prices
In stock Out of stock Few in stock
Hawe
Manufacturer Part No
6900 0796-02
Flow (lpm)
100
Interface/Size
Line mounted
Working pressure (bar)
400
Port size and type
BSPP 3/4''
250/250 — Counterbalance Valve (100 L/min)
Motion control valve, line mounted valve for hydraulic circuits. Motion control valve double, LHK 44G 21 250/250, 131-350 Bar, 3/4" BSP, 100l/m.
Key specifications
- Interface: Line mounted
- Flow capacity: 100
- Working pressure: 400 bar

Contact us

Our product experts

Our product experts

Ask us about this product

Send email